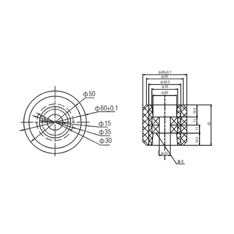
A nyomógörgős termék átmérője 60 mm, magassága 55 mm. 6202-es csapággyal van felszerelve. Ez a csapágyas modell nagy teherbíró képességgel és forgási sebességgel rendelkezik, és alkalmas mozgólépcsőgörgő alkalmazási forgatókönyvekhez. A CPU (nagy teljesítményű műanyag) használata hosszú ideig stabil fizikai és kémiai tulajdonságokat tarthat fenn, és meghosszabbítja a görgők élettartamát; a görgők kiváló minőségű csapágyakat és anyagokat használnak, amelyek erős teherbíró képességgel rendelkeznek, és képesek kielégíteni a mozgólépcső különböző terhelési igényeit. működési követelmények a feltételek mellett.

